В статье представлены схемы:
- Трёхэлементного непосредственного включения
- Двухэлементного непосредственного включения
- Полукосвенного включения с тремя ТТ
- Полукосвенного включения с двумя ТТ
- Полукосвенного двухэлементного включения
- Косвенного включения два ТН , три ТТ
- Косвенного включения три ТН , два ТТ
- Косвенного включения три ТН , три ТТ
- Косвенного включения с заземлённой фазой B
- Косвенного двухэлементного включения
- Косвенного включения три ТН (треугольник), три ТТ
Счётчики Меркурий 234 выпускаются в модификациях предназначенных для:
- прямого включения (модификация 01 и 02 счётчика);
- полукосвенного включения (модификация 03);
- косвенного включения (модификация 00).
Модификации отличаются классом точности и величиной стартового тока.
Стартовый ток:
- Меркурий 234 ART(M) - 01 : 20 мА
- Меркурий 234 ART(M) - 02 : 20 мА
- Меркурий 234 ART(M) - 03 : 5 мА
- Меркурий 234 ART(M) - 00 : 5 мА
Модификации также отличаются наличием предустановленных на заводе перемычек между цепями измерения тока и цепями измерения напряжения. Перемычки реализованы с использованием винтов М3. Место расположения перемычек указано на Рис 1 под номерами 1,2 и 3.
Установка данных винтов на счётчиках трансформаторного включения запрещена.
![]() |
Рис. 1. Клеммная колодка счётчика Меркурий 234 с установленными перемычками 1,2,3.
|
![]() |
Рис. 2. Клеммная колодка счётчика Меркурий 234 со снятыми перемычками 1,2,3.
|
P = UA*IA*cosɸ1 + UB*IB*cosɸ2 + UC*IC*cosɸ3
Схемы непосредственного включения счётчиков модификаций 01 и 02 в сеть 3*230/400 В
Непосредственное включение счётчика по приведённым схемам может быть произведено только с обязательным подключением нулевого проводника (в разрыв либо нет). Подключение без нулевого проводника не допускается по причине возможного в этом случае влияния внутренних схем счётчика на учёт.
![]() |
Рис 3. Схема непосредственного включения счётчика с разрывом нулевого проводника.
|
![]() |
Рис 4. Схема непосредственного включения счётчика без разрыва нулевого проводника.
|
![]() |
| Рис. 5. Векторная диаграмма измеряемых счётчиком токов и напряжений при непосредственном включении. |
Схемы непосредственного включения счётчиков модификаций 01 и 02 в сеть 3*230 .
![]() |
| Рис 6. Схема непосредственного двухэлементного включения счётчика. |
При использовании данной схемы, мощность учитываемая счётчиком будет равна:
P = UAC*IA*cosɸ1 + UBC*IB*cosɸ3
при включении нагрузки по схеме треугольник:
IAB, IBC, ICA- фазные токи
Iф = Iл / √3
Uл = Uф
![]() |
| Рис 7. Векторная диаграмма токов при включении нагрузки треугольником |
p = uAB*iAB + uBС*iBC + uCA*iCA =
(uAС-uBС)*iAB + uBC*iBC - uAC*iCA =
uAC*iAB - uBC*iAB + uBC*iBС - uAС*iCA =
uAС*(iAB - iCA) + uBС*(iBС - iAB) =
uAС*iA + uBC*iB
P = UAB*IAB*cosɸ1 + UBС*IBC*cosɸ2 + UCA*ICA*cosɸ3 = UAC*IA*cosɸ1 + UBC*IB*cosɸ2
uAС*(iAB - iCA) + uBС*(iBС - iAB) =
uAС*iA + uBC*iB
Выразив мгновенные значения через их амплитуду получим:
Схема полукосвенного включения счётчиков модификации 03 в сеть 3*230/400 В, с тремя трансформаторами тока.
![]() |
Рис 8. Схема полукосвенного включения счётчика через три трансформатора тока
|
Допускается включение счётчика Меркурий 234 ART(M)-03 в сеть 3*230/400В с изолированной нейтралью по схеме:
![]() |
Рис 9. Схема полукосвенного включения счётчика через 3 трансформатора тока в сеть с изолированной нейтралью.
|
Схемы трёхпроводного включения применимы для счётчиков Меркурий 234 ARTM -03 только при условии отключения дополнительного интерфейсного модуля (GSM, второй RS-485 и т.д.) от измерительных цепей счётчика. При этом, для обеспечения его работоспособности, потребуется отдельная подача напряжение 220 В на соответствующий разъём модуля.
Схема полукосвенного включения счётчиков модификация 03 в сеть 3*230/400 В, с двумя трансформаторами тока.
![]() |
Рис 10. Схема полукосвенного включения счётчика через два трансформатора тока
|
В данной схеме, для подключения счётчика, используются два измерительных трансформатора тока, соединённых в неполную звезду. Ток фазы В (среднего измерительного элемента счётчика) определяется как сумма токов фаз А и С с обратной полярностью.
Ia+Ic=I0
I0=-Ib
![]() |
Рис. 11. Векторная диаграмма измеряемых счётчиком токов и напряжений при включении по схеме с двумя трансформаторами тока
|
Ток I0 равный по модулю току Ib протекает через средний измерительный элемент счётчика в обратном направлении - от конца к началу, что дает смещение вектора тока на 180 градусов.
Расчёт мощности при этом будет производиться по формуле:
P = UA*IA*cosɸ1 + UB*( - (IА + IС))*cosɸ2 + UC*IC*cosɸ3
Схема полукосвенного двухэлементного включения счётчиков модификация 03 в сеть 3*230 В, с двумя трансформаторами тока.
![]() |
| Рис. 12. Схема полукосвенного двухэлементного включения счётчика Меркурий 234 ART(M)-03 через два ТТ |
Схема косвенного включения счётчиков модификации 00 на напряжение 3*57/100 В через два трансформатора напряжения и три трансформатора тока.
![]() |
| Рис. 13. Схема косвенного включения счётчика Меркурий 234 ART(M)-00 через два ТН и три ТТ |
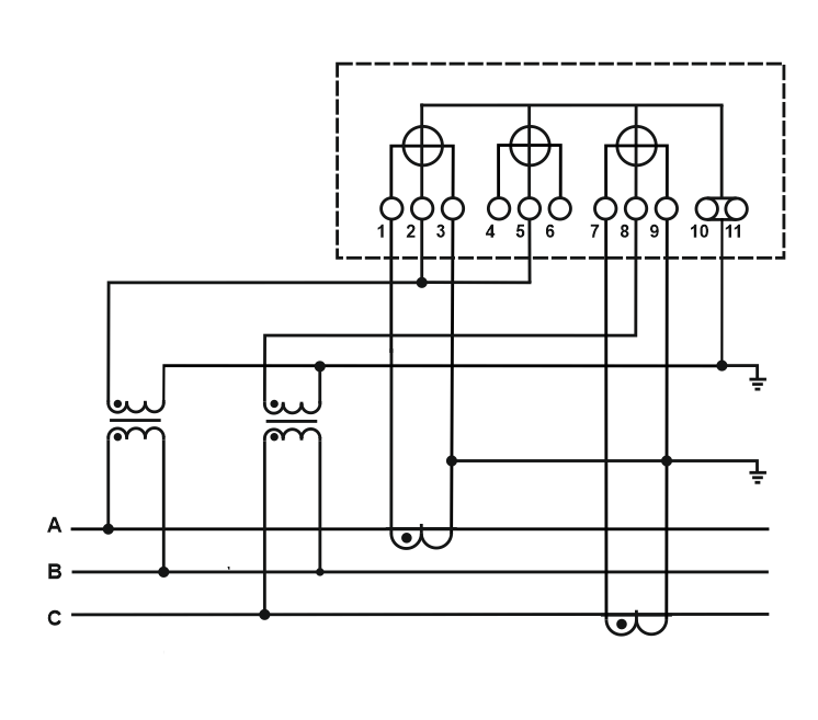
Схема косвенного включения счётчиков модификации 00 на напряжение 3*57/100 В через три трансформатора напряжения и два трансформатора тока.
![]() |
| Рис. 14. Схема косвенного включения счётчика Меркурий 234 ART(M)-00 через три ТН и два ТТ |
Средний измерительный элемент счётчика в данной схеме, включен на сумму токов фаз А и С с обратной полярностью:
Ia+Ic=I0
I0=-Ib
Схема косвенного включения счётчиков модификации 00 на напряжение 3*57/100 В, с тремя трансформаторами напряжения и тремя трансформаторами тока.
![]() |
Рис. 15. Схемы косвенного включение счётчика Меркурий 234 ART(M)-00
через три ТН, три ТТ |
![]() |
Рис. 16. Схемы косвенного включение счётчика Меркурий 234 ART(M)-00
через три ТН, три ТТ |
![]() |
| Рис. 17. Векторная диаграмма измеряемых счётчиком токов и напряжений при включении по схеме три ТН , три ТТ |
Схема косвенного включения счётчиков модификации 00 на напряжение 3*57/100 В, с тремя трансформаторами напряжения с заземлённой фазой В и тремя трансформаторами тока.
![]() |
| Рис. 18. Схема косвенного включения счётчика Меркурий 234 ART(M)-00 через три ТН включенных на фазные напряжения с заземлённой фазой В, три ТТ |
![]() |
| Рис. 19. Схема косвенного включения счётчика Меркурий 234 ART(M)-00 через три ТН включенных звездой с заземлённой фазой В, три ТТ |
![]() |
| Рис. 20. Схема косвенного включения счётчика Меркурий 234 ART(M)-00 через три ТН включенных звездой с заземлённой средней точкой и с заземлённой фазой В во вторичных цепях, три ТТ |
![]() |
| Рис. 21. Векторная диаграмма измеряемых счётчиком Меркурий 234 ART(M) параметров (выделено цветом) при использовании схем косвенного включения три ТТ и три ТН с заземлённой фазой В |
Заземление фазы В в схеме подключения счётчика обеспечивает возможность установки прямого порядка чередования фаз.
Схема двухэлементного косвенного включения счётчиков модификации 00 на напряжение 3*57/100 В
![]() |
| Рис. 22. Схема косвенного двухэлементного включения счётчика Меркурий 234 ART(M)-00 через три ТН и два ТТ |
![]() |
| Рис. 23. Схема косвенного двухэлементного включения счётчика Меркурий 234 ART(M)-00 через два ТН и два ТТ |
Счётчик Меркурий 234 при включении по двухэлементной схеме, производит измерение линейных напряжений UAB и UCB и фазных токов. IA и IC
Угол фазового сдвига между измеряемыми первым элементом счётчика током IA и напряжением UAB составляет: ɸ + 30˚ Между напряжением UCB и током IC измеряемыми третьим элементом: 30˚- ɸ
![]() |
| Рис. 24. Векторная диаграмма измеряемых счётчиком Меркурий 234 ART(M)-00 параметров при двухэлементном косвенном включении |
Правильность учёта проверяется следующим расчётом:
iA + iB + iC = 0
iB=(iA + iC)
p = uA*iA + uB*iB + uC*iC =uA*iA -
uB*(iA+iС) + uC*iC=
uA*iA - uB*iA-uB*iC +
uC*iС=
iA*(uA-uB)+iC*(uC- uB)=
uAB*iA + uCB*iC
После выражения мгновенных значений через их амплитуду получим:
P = UAB*IA*cosɸ1 + UCB*IC*cosɸ3
Схема косвенного включения три ТН (соединённых треугольником) и три ТТ
![]() |
| Рис. 25. Схема косвенного включения счётчика Меркурий 234 ART(M)-00 через три ТН (соединённых треугольником) и три ТТ |


























Узнал пару новых схем при отсутсвии N.
ОтветитьУдалитьСпасибо!
Здравствуйте а если схема косвенного включения с трехфазным тн и двумя тт при этом в клемму 10.11 ничего не заводится?
ОтветитьУдалитьРазве тут не ошибка
ОтветитьУдалитьЦитата
"Рис 6. Схема непосредственного двухэлементного включения счётчика.
При использовании данной схемы, мощность учитываемая счётчиком будет равна:
P = UAC*IA*cosɸ1 + UBC*IB*cosɸ3"
В данной схеме вообще нет тока в фазе "В"
Наверное вот так , должно быть
P = UAC*IA*cosɸ1 + UBC*IС*cosɸ3"
Не будет ли давать сбои показаний Меркурий 234\3 artm-03 pb1.2, подключенный через ТТ 400\5
ОтветитьУдалитьсмонтированный в ящике РУ 0,4 непосредственно на трансформаторе ТП 250КВт, хочется снимать с него данные по rs485.
Схему на рисунке 13 нельзя использовать, так как при включении нагрузки между фазами Б и С ТН, на ТН создаются недопустимые погрешности.
ОтветитьУдалитьЗакупать ссылки стопам для низкочастотных запросов, позже – среднечастотных, последствии – высокочастотных закупка ссылок для продвижения сайта. Отбираем страницы, создаем оригинальные анкоры и начинаем выискать доноров. Желательно покупать 1-2 бэклинка в день, максимально – 3-4. Главное – формировать все равномерно. Если незамедлительно приобрести количество рекомендаций, велика вероятность попасть под фильтр от Google.
ОтветитьУдалитьС 2014 года крауд-маркетинг начал слишком живо где купить ссылки для продвижения сайта набирать популярность. Изначально он применялся для борьбы с фильтрами от машин, желая резво стал красивым примером получить натуральные ссылки совершенно даром.
ОтветитьУдалить